|
 |
| |
|

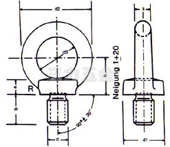
EYE NUT JIS B 1169,ZP |
 |
-
Forged carbon steel - Normalizing
-
Electric plated or Self colored
-
Forged eye bolt meet the performance requirements of JIS B 1169.
-
Cast stainless steel |
|
Size |
Dimension(in) |
S.W.L. (Ton) |
Weight (lbs) |
|
MM |
INCH |
A |
B |
C |
D |
H |
L |
|
M8 |
5/16¡È |
1.28 |
0.79 |
0.25 |
0.63 |
1.31 |
0.59 |
0.08 |
0.09 |
|
M10 |
3/8¡È |
1.61 |
0.98 |
0.31 |
0.79 |
1.63 |
0.71 |
0.15 |
0.15 |
|
M12 |
1/2¡È |
1.97 |
1.18 |
0.39 |
0.98 |
2.01 |
0.87 |
0.22 |
0.31 |
|
M16 |
5/8¡È |
2.36 |
1.38 |
0.49 |
1.18 |
2.36 |
1.06 |
0.45 |
0.57 |
|
M20 |
3/4¡È |
2.83 |
1.57 |
0.63 |
1.38 |
2.80 |
1.18 |
0.63 |
0.95 |
|
M22 |
7/8¡È |
3.15 |
1.73 |
0.71 |
1.57 |
3.11 |
1.38 |
0.79 |
1.23 |
|
M24 |
1¡È |
3.54 |
1.97 |
0.79 |
1.77 |
3.54 |
1.50 |
0.95 |
1.87 |
|
M30 |
1-1/4¡È |
4.33 |
2.36 |
0.98 |
2.36 |
4.33 |
1.77 |
1.50 |
3.74 |
|
M36 |
1-1/2¡È |
5.24 |
2.76 |
1.24 |
2.76 |
5.18 |
2.17 |
2.30 |
6.61 |
|
M42 |
1-3/4¡È |
5.94 |
3.15 |
1.40 |
3.15 |
5.93 |
2.56 |
3.40 |
9.91 |
|
M48 |
2¡È |
6.69 |
3.54 |
1.57 |
3.54 |
6.69 |
2.76 |
4.50 |
14.76 |
|
M64 |
- |
8.27 |
4.33 |
1.97 |
4.33 |
8.27 |
3.54 |
9.00 |
24.89 |
|
M80 |
- |
10.47 |
5.51 |
2.48 |
5.12 |
10.35 |
4.13 |
15.00 |
- |
|
M90 |
- |
11.89 |
6.30 |
2.80 |
5.91 |
11.85 |
4.72 |
18.00 |
- |
|
M100 |
- |
13.39 |
7.09 |
3.15 |
6.69 |
13.98 |
5.12 |
20.00 |
- | | | |
|
 |
|
|
|
|