|
 |
| |
|
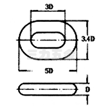
 STUBLESS LINK ANCHOR CHAIN |
 |
|
STUBLESS LINK ANCHOR CHAIN |
|
SIZE (mm) |
PROOF LOAD(KN) |
BREAKING LOAD(KN) |
|
GRADE1
|
GRADE2
|
GRADE3
|
GRADE1
|
GRADE2
|
GRADE3
|
|
1/2 |
10.7 |
15.3 |
21.4 |
15.3 |
21.4 |
30.6 |
|
9/16 |
13.5 |
19.3 |
27.0 |
19.3 |
27.0 |
38.6 |
|
5/8 |
16.6 |
23.7 |
33.2 |
23.7 |
33.2 |
47.5 |
|
11/16 |
20.1 |
28.6 |
40.1 |
28.6 |
40.1 |
57.3 |
|
3/4 |
23.8 |
34.0 |
47.6 |
34.0 |
47.6 |
68.0 |
|
13/16 |
27.8 |
39.8 |
55.7 |
39.8 |
55.7 |
79.5 |
|
7/8 |
32.2 |
46.0 |
64.4 |
46.0 |
64.6 |
91.8 |
|
15/16 |
36.8 |
52.6 |
73.7 |
52.6 |
73.7 |
105.0 |
|
1 |
41.8 |
59.7 |
83.6 |
59.7 |
83.6 |
119.5 |
|
1-1/16 |
47.0 |
67.2 |
94.1 |
67.2 |
94.1 |
135.0 |
|
1-1/8 |
52.6 |
75.0 |
105.0 |
75.0 |
105.0 |
150.0 |
|
1-3/16 |
58.4 |
83.4 |
116.5 |
83.4 |
116.5 |
167.0 |
|
1-1/4 |
64.5 |
92.2 |
129.0 |
92.2 |
129.0 |
184.0 |
|
1-5/16 |
70.9 |
101.5 |
142.0 |
101.5 |
142.0 |
203.0 |
|
1-3/8 |
77.5 |
111.0 |
155.0 |
111.0 |
155.0 |
222.0 |
|
1-7/16 |
84.5 |
120.5 |
169.0 |
120.5 |
169.0 |
241.0 |
|
1-1/2 |
91.7 |
131.0 |
183.5 |
131.0 |
183.5 |
262.0 |
|
1-9/16 |
99.2 |
142.0 |
198.5 |
142.0 |
198.5 |
284.0 |
|
1-5/8 |
108.0 |
153.0 |
214.0 |
153.0 |
214.0 |
306.0 |
|
1-11/16 |
115.0 |
166.5 |
229.0 |
166.5 |
229.0 |
327.0 |
|
1-3/4 |
123.5 |
176.0 |
247.0 |
176.0 |
247.0 |
352.0 |
|
1-13/16 |
132.0 |
188.5 |
264.0 |
188.5 |
264.0 |
377.0 |
|
1-7/8 |
140.5 |
201.0 |
281.0 |
2010 |
281.0 |
402.0 |
|
1-15/16 |
149.5 |
214.0 |
299.0 |
214.0 |
299.0 |
427.0 |
|
2 |
159.0 |
227.0 |
318.0 |
227.0 |
318.0 |
454.0 | |
|
 |
|
|
|
|